+33 (0) 251 344 528
Contact
Contact
Search
Our products
Menu
Close
Home
Agriculturaltest
Construction
Lorry and trailer
Environment
Pumps / multiplier gearboxes
Reservoirs
Filters
Heat exchangers
Hydraulic power units
Flow regulators
Accumulators
Pressure regulators
Spool valves
Safety valves
Hydraulic cylinders
High pressure components 700 bar
Hydraulic motors
Orbitrols
Adaptors
Electrical components
Workshop equipments
Hydroclips cases
Hydraulic hoses & inserts
Couplers / Multi-Couplers
High pressure cleaning equipment
Greasing components
Rotators
Special offers
Piston pump and motor repairs
On-site fitting
Our Locations
Catalogues
Shows
About Hydrokit
Our markets
Our company
Vensys Group
Services
Videos
Contact
Home
Spool valves
Spool valves
Function selectors
Spool valves CETOP
Manual monoblock spool valves
Manual stackable spool valves
DR65 flow regulated spool valves
Hydraulic end stroke valves
Ball valves
Solenoid check valves
Spool valves for construction equipments
Joysticks
Remote control boxes, cables and adapters
Fitting kits for spool valves
Spool valves CETOP
Spool valves CETOP with control boxes
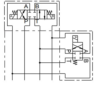
Cetop 3 - NG6
Cetop 5 - NG10
Cetop 3 - NG6
Cetop 3 NG6 Distributor
Cetop 3 Modular Valves
Cetop 3 Base Block
Cetop 3 Base Block
With pressure relief
Without pressure relief
Closing plate
Full screen
Previous image
Next image
VOIR NOTE VOIR NOTE TECHNIQUE
Hydrokit Part Number :
FLOAT03
Print
Share
+33 (0) 251 344 528
Contact
Contact
Close
Looking for an immediate reply?
Contact us on +33 (0) 251 344 528
To check price
Create an account
or
Technical information
VOIR NOTE VOIR NOTE TECHNIQUE
Close
Share this product on
Facebook
Linkedin
Mail
Cancel
Close
Loading...