+33 (0)2 51 34 10 10
Contact
Contact
Recherche
Nos produits
Menu
Fermer
Accueil
Agriculture
Travaux Publics / Manutention
Carrosserie Industrielle
Maritime
Industrie / Agro-alimentaire
Environnement
Réparation
Pompe hydraulique
Réservoirs
Filtration
Échangeurs
Centrales hydrauliques
Régulation de débit
Accumulateurs
Régulation de pression
Distribution
Clapets et valves
Vérins hydrauliques
Composants haute pression 700 bar
Moteurs hydrauliques
Orbitrols
Connectiques
Composants électriques
Matériel d'atelier
Mallettes Hydroclips
Flexible hydraulique & Embouts
Coupleurs / Multicoupleurs
Equipements nettoyeurs haute pression
Lubrification / Graissage
Rotators Baltrotors
Huile / Consommable
Le coin des bonnes affaires / Destockage
Fiches de définition
Industrie
Test création page menu produits
Test création rubrique produit menu produits
Réparation de pompes et moteurs
Réparation vérins
Montage sur site
Formation
Où nous trouver ?
Catalogues
Qui sommes-nous ?
+ d'Infos
Groupe Vensys
Actualités
Salons
Tous les services
Tutoriels
Vidéos
Nous rejoindre
Nous contacter
Accueil
Distribution
Distribution PVG Danfoss
Sélecteur de fonctions
Distribution CETOP
Distribution électrique compacte
Distributeur Monobloc
Distributeur Empilable
Distribution et régulation de débit DR65
Distribution et régulation de pression DR120
Fin de course hydraulique
Robinets à boisseau
Électrovannes à clapet 2/2
Électrovannes à tiroir 3/2 - 4/2 - 4/3 - 5/3 - 6/2
Distribution spéciale TP - LS
Commande Basse Pression
Boîtier, câbles de commande et adaptateurs
Tête de commande - levier
Valve de frein de remorque hydraulique
Kit raccords pour distributeurs
Distributeur pour lame à neige
Distribution CETOP
Distribution Flasquable CETOP
Cetop 3 - NG6
Cetop 5 - NG10
Distribution Empilable Electrique
Cetop 3 - NG6
Distributeur Cetop3 NG6
Valves modulaires Cetop3
Embase Cetop3
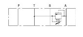
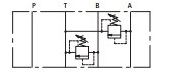
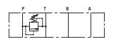
Trouvez votre schéma CETOP3
Trouvez votre schéma CETOP3
Trouvez votre schéma CETOP3
1
2
3
4
5
6
7
8
9
10
11
12
Filtrer les produits
Fermer
Chargement en cours...