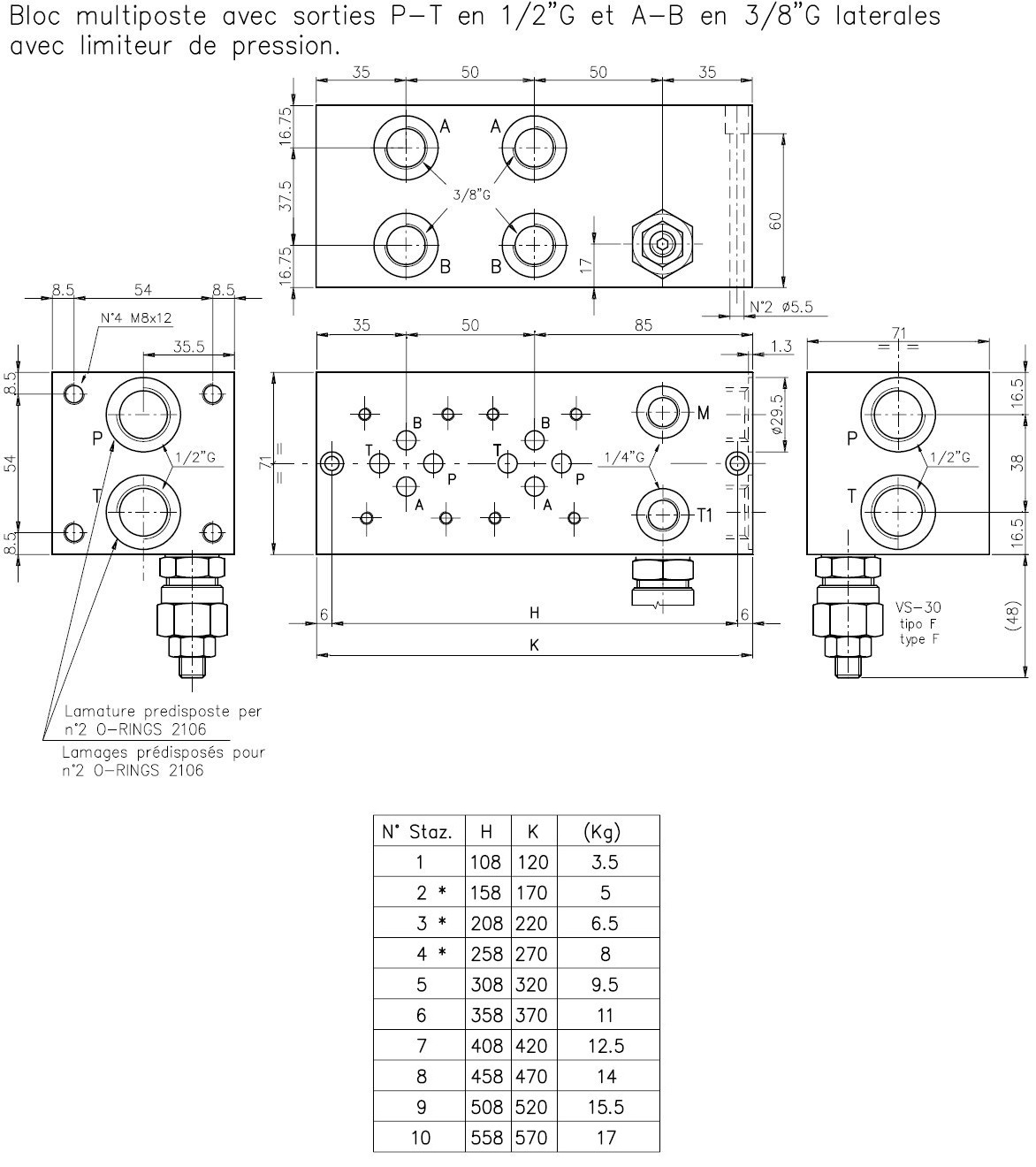
Embase Cetop 3 8 postes avec limiteur de pression
Référence Hydrokit : EL0308
Informations techniques
Attention, implatation P & T inversées par arpport à la référence EL0308
Orifices A et B en 3/8"
Nombre de poste : 8
Matériau : Fonte
Pression de travail maximum : 350 bar
Débit maximum : 40 litres/minutes
P : Pression : 1/2"
T : Retour : 1/2"
Longueur : 470 mm
Entraxe trous de fixation : 458 mm
