Inverseur automatique hydraulique Cetop3 - détection pression
Référence Hydrokit : FD32000HBI
Informations techniques
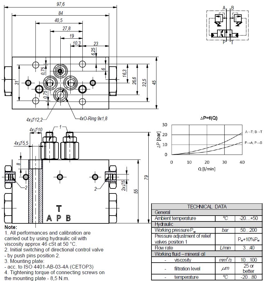
Distributeur CETOP 3 valve d'inversion
Débit : 40l/min
Débit mini d'utilisation : 3 l/min
Pression maxi P-A-B : 200 bar
Pression mini d'utilisation : 50 bar
Pression d'inversion : 50 à 200 bar
Débit : 40l/min
Débit mini d'utilisation : 3 l/min
Pression maxi P-A-B : 200 bar
Pression mini d'utilisation : 50 bar
Pression d'inversion : 50 à 200 bar
Caractéristiques :
Déclenchement de l'inversion à la pression souhaitée (50 à 200 bar) = dépendant de la charge
Permet la gestion d'un mouvement de va et vient d'un vérin hydraulique
