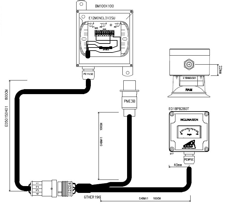
Informations techniques
indication 1 axe à +/-12° (avec bascule automatique 90°)
Faisceau 8 metres
Alimentation 12/24VDC
Avec ventouse de fixation
Faisceau 8 metres
Alimentation 12/24VDC
Avec ventouse de fixation
Simple de montage : il suffit de fixer le boîtier sur l’outil de niveau.
•Amplitude importante : ± 12°.
•Pratique : changement automatique entre niveau horizontal et vertical.
•Robuste : résiste aux vibrations.
•Gain de temps : visualisation par aiguille.
•Fixation du boîtier en cabine par ventouse.
