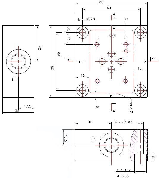
BASE BLOC CETOP 3 - 1 FUNCTION
Hydrokit Part Number : 466389
Technical information
CETOP 3 BASE BLOCK WITH LATERAL OUTLET
- Suitable for one section
- Mounting: 3/8" BSP
- Suitable for one section
- Mounting: 3/8" BSP
Max flow : 30 l/mn
Apertures : 1/4 BSP (outlet below) Reference base block kit : E030100001
Reference base block only : E0301R014G
Reference for apretures 3/8 BSP (lateral outlet) : 466389
