ELECTRO VALVE CLAPET 1/4 NF 24V ALU
Hydrokit Part Number : ENFT0142AW
Technical information

Technical data
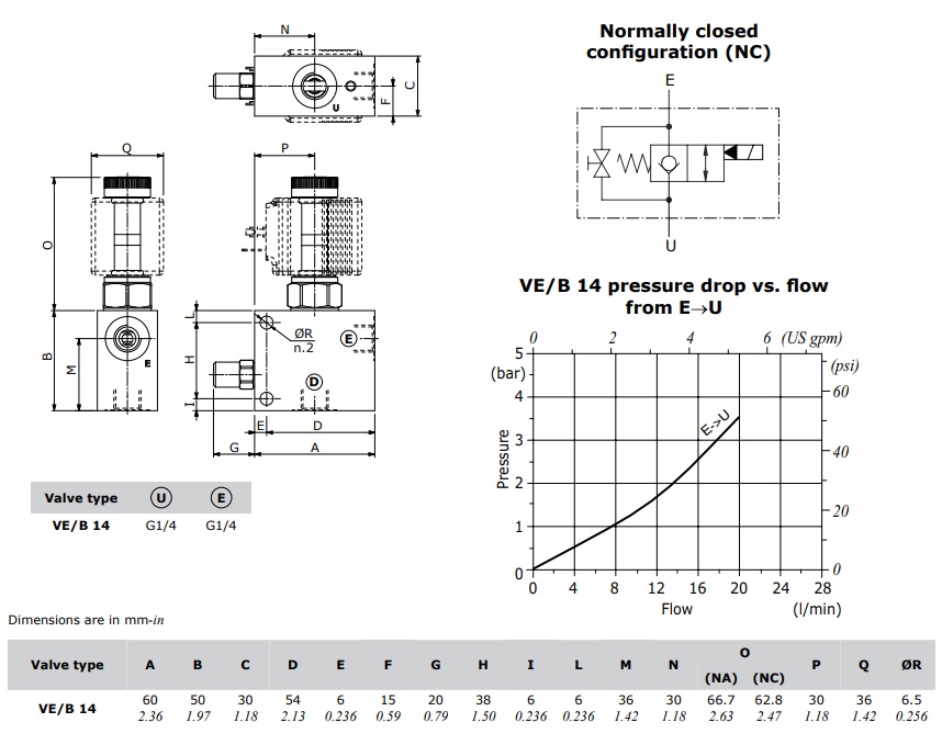
| Schéma hydraulique | Simple normalement fermé NF | ||
| Voltage | 24 VCC | Volt | |
| Type of power | Continuous Vcc | ||
| Connector type | Pinch Hirschmann DIN 43650 | ||
| Implantation | 1/4" BSP | ||
| Débit maxi | 20 | l/min | |
| Max working pressure | 210 | bar | |
| Commande de secours | Oui |