DISTRI MONOBLOC 45L 4 ELTS - CO CS
Hydrokit Part Number : DMO045A3DM
Technical information


Technical data
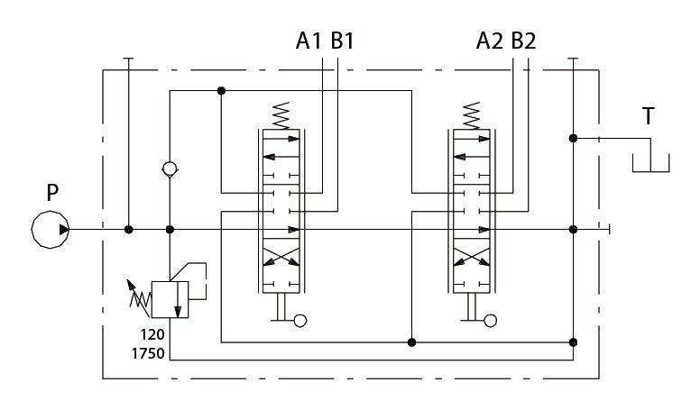
| Type of hydraulic circuit | Open center & Carry-over | ||
| Débit maxi | 45 | l/min | |
| Max working pressure | 315 | bar | |
| Nombre de section(s) | 4 | ||
| Type(s) Tiroir(s) | 3DE + 1DE FLOT | ||
| Type of actuation | Commande Manuelle | ||
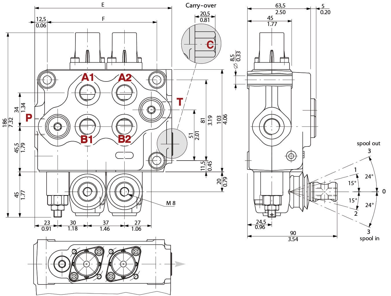
| Implantation orifice P | G3/8 | ||
| Implantation orifices A&B et/ou R | G3/8 | ||
| Implantation orifice T | G3/8 | ||
| Implantation orifice CS | G3/8 | ||
| Implantation Pilotage A&B | sans |