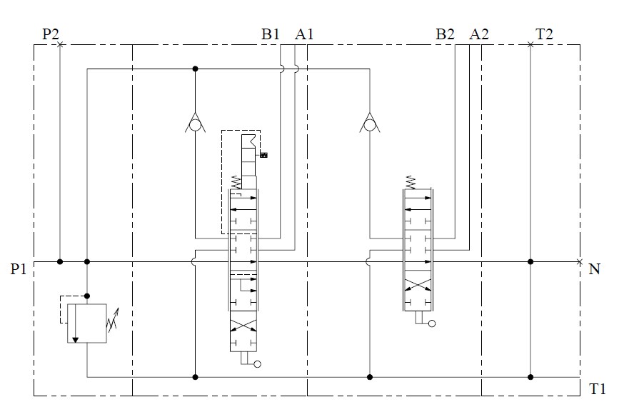
Distributeur fendeuse 1DE double vitesse 80l/min butée pression + 1DE std
Référence Hydrokit : DM081FENDEP2
Informations techniques
Distributeur 2 doubles effet
250bar maxi - 80L/min
Utilisation en centre ouvert
T ,N: 3/4G - P,A,B : 1/2G
* 1DE double vitesse - Crantage sur montée, fin de course hydraulique pour remise au neutre en fin de remonté de tige
(pression de décrantage réglable)
* 1DE standard A&B fermé au neutre
250bar maxi - 80L/min
Utilisation en centre ouvert
T ,N: 3/4G - P,A,B : 1/2G
* 1DE double vitesse - Crantage sur montée, fin de course hydraulique pour remise au neutre en fin de remonté de tige
(pression de décrantage réglable)
* 1DE standard A&B fermé au neutre
+ du produit : Gain de rapidité et de productivité La vitesse lente permet de travailler en pression, la vitesse rapide permet d'approcher le coin de la fendeuse
