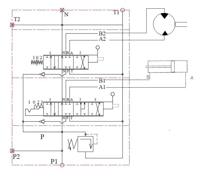
LOG SPLITTER SPOOL VALVE
Hydrokit Part Number : DM081FENDE2
Technical information
LOG SPLITTER SPOOL VALVE
- Specification: Double speed and double-acting standard to supply winch, detent on lifting, open centre only
- Flow rate: 80lpm
- Mounting: 1/2" BSP (A, B and P) 3/4" BSP (T)
- End of stroke: Mechanical
- Pressure relief valve: Adjusted to 250bar
- Specification: Double speed and double-acting standard to supply winch, detent on lifting, open centre only
- Flow rate: 80lpm
- Mounting: 1/2" BSP (A, B and P) 3/4" BSP (T)
- End of stroke: Mechanical
- Pressure relief valve: Adjusted to 250bar
