Fin de course normalement fermé G3/8 - 60 l/min 350bar - à tirer/pousser
Référence Hydrokit : FCNF038OM2
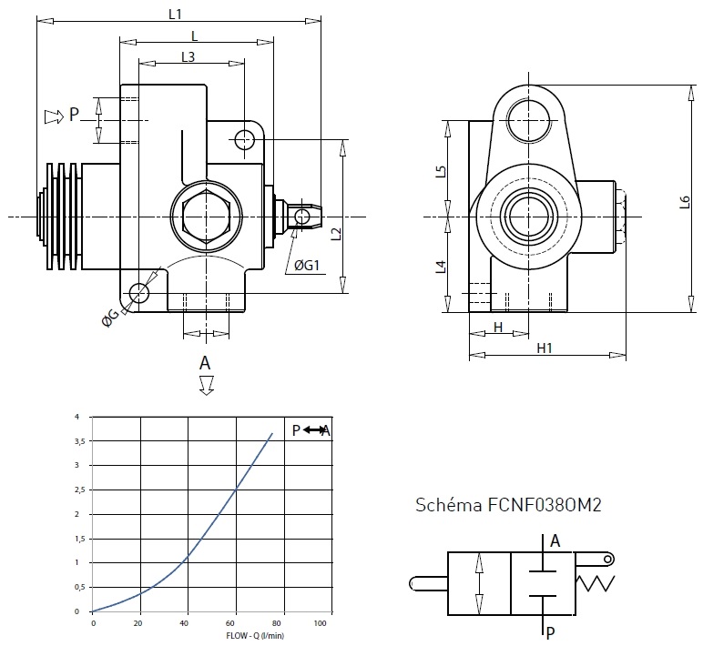
Informations techniques
G3/8. 60 l/min. 350 bar. Fonte
Tiroir à tirer / pousser. Course mini 7mm (6,5 Kg). Course maxi 20.5mm (18 Kg).
Tiroir à tirer / pousser. Course mini 7mm (6,5 Kg). Course maxi 20.5mm (18 Kg).
Coupure de mouvement d'un vérin.
- Montage simple (pas d'électricité).
- Réglage facile (montage par chaîne, tirant ...).

|
Débit |
Pression |
Implantation A et P |
Position repos |
L |
L1 |
L2 |
L3 |
L4 |
L5 |
L6 |
ØG |
ØG1 |
H |
H1 |
|
60 l/min |
350 bar |
3/8 |
Fermé |
69 mm |
130 mm |
66 mm |
45 mm |
45 mm |
41 mm |
103 mm |
8,5 mm |
6,5 mm |
26 mm |
68 mm |
Caractéristiques techniques
| Type(s) Tiroir(s) | Normalement fermé NF | ||
| Débit maxi | 60 | l/min | |
| Pression maxi d'utilisation | 350 | bar |