FIN DE COURSE DOUBLE NF G3/8 - 30L
Hydrokit Part Number : FCDF038A
Technical information

Technical data
| Type(s) Tiroir(s) | Normalement fermé NF | ||
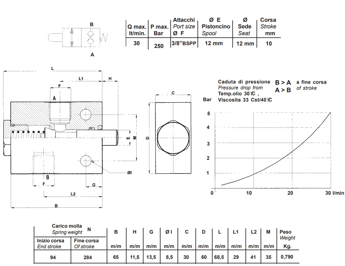
| Débit maxi | 30 | l/min | |
| Max working pressure | 250 | bar |

| Type(s) Tiroir(s) | Normalement fermé NF | ||
| Débit maxi | 30 | l/min | |
| Max working pressure | 250 | bar |