FUNCTION SELECTOR VALVE STACKABLE 40LPM 3/8" BSP 12VDC
Hydrokit Part Number : D31012CZEKO
Discontinued product replaced by :
FUNCTION SELECTOR VALVE 12 VDC - 50 L/MN ( D31012CZEF )
Technical information
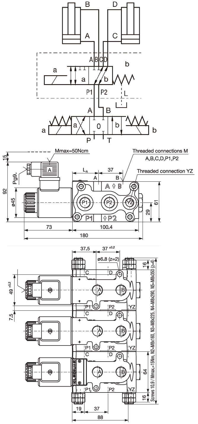
STACKABLE FUNCTION SELECTOR
- Number of additional fuction: 1
- Max. flow rate: 50lpm
- Mountings: 3/8" BSP
- Max. pressure: 315bar (with drain) 210bar (without drain)
- Power supply: 12VDC
- Material: Zinc plated
- Included: Hirschmann plug
- Number of additional fuction: 1
- Max. flow rate: 50lpm
- Mountings: 3/8" BSP
- Max. pressure: 315bar (with drain) 210bar (without drain)
- Power supply: 12VDC
- Material: Zinc plated
- Included: Hirschmann plug
