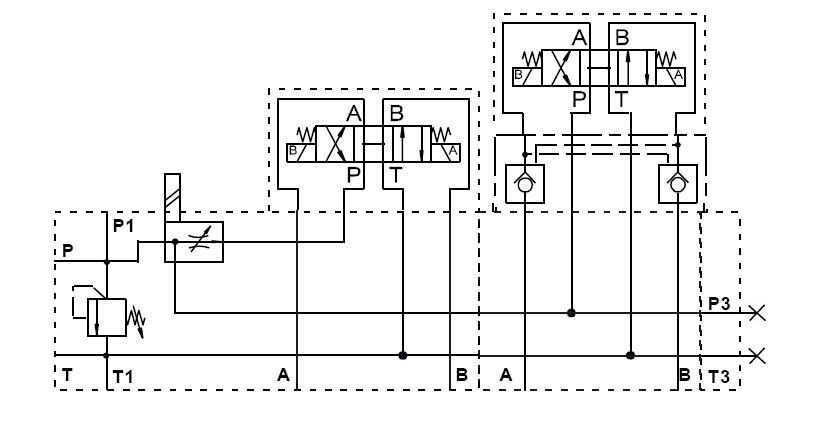
DR65 2-FUNCTION AND CHECK VALVE BLOCK
Hydrokit Part Number : DR65P151PF
Technical information
DR65 REGULATION BLOCK
- Number of double-acting function: 2
-- With locking check-valve (gate)
-- With PWM flow rate regulation cartridge (motor): 5 to 10lpm
- Power supply: 12VDC
- Required a 10µm filtration inlet
- Number of double-acting function: 2
-- With locking check-valve (gate)
-- With PWM flow rate regulation cartridge (motor): 5 to 10lpm
- Power supply: 12VDC
- Required a 10µm filtration inlet

Technical data
| Type of hydraulic circuit | Open center | ||
| Débit maxi | 65 | l/min | |
| Max working pressure | 210 | bar | |
| Nombre de section(s) | 2 | ||
| Type of flow regulation | Proportionnelle PWM 0 - 50 L/min | ||
| Type(s) Tiroir(s) | 1DE K REG + 1DE K + CPM + LP | ||
| Type of actuation | Commande Electrique 12vcc | ||
| Voltage | 12 VCC | Volt | |
| Implantation orifice P | G1/2 | ||
| Implantation orifices A&B et/ou R | G1/2 | ||
| Implantation orifice T | G1/2 | ||
| Implantation orifice CS | sans | ||
| Boîtier Électrique | Sans |