FLOW DIVIDER WITH RELIEF VALVE
Hydrokit Part Number : RDL6525KG
Technical information
FLOW DIVIDER WITH RELIEF VALVE 200B-INLET 3/4-OULETS 1/2
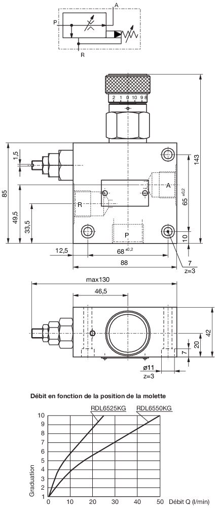
-The flow regulator divides the incoming flow into a manually adjustable, constant and priority flow and a residual flow. -The priority flow [A] is protected by a pressure relief valve
-The residual flow [B] must be directed pressure free towards the reservoir
P = Pump
A = Priority flow
R = Residual flow
Flow in A (l/mn) | Max flow in P (l/mn) | Adjustable working pressure (bar) | Valve opening pressure (bar) | Port ( BSP ) | Reference | |
P | A, B | |||||
1 to 25 | 65 | 5 to 350 | 0,5 | 3/4 | 1/2 | RDL6525KG |
1 to 50 | 65 | 5 to 350 | 0,5 | 3/4 | 1/2 | RLD6550KG |
Technical data
| Débit maxi | 65 | l/min | |
| Max working pressure | 350 | bar | |
| Implantation orifice P | G3/4 | ||
| Implantation orifices A&B et/ou R | G1/2 | ||
| Limiteur de pression | Oui | ||
| Option | Without option | ||
| Type of flow regulation | Manuelle 0 - 25 L/min |