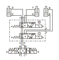
6-WAY STACKABLE FUNCTION SELECTOR WITH HANDLE
Hydrokit Part Number : 50421220K
Technical information
6-WAY STACKABLE FUNCTION SELECTOR WITH HANDLE
- Additional function: 1
- Max. flow rate: 50lpm
- Max. pressure: 210bar (without drain) / 315bar (with drain)
- Openings: 3/8" BSP 1/4" BSP (drain)
- Voltage: 12VDC
- Cable length: 2,000mm power supply with fuse + 6,000mm loom
- Handle thread: M10x1.5
- Material: Zinc-plated steekk
- Additional function: 1
- Max. flow rate: 50lpm
- Max. pressure: 210bar (without drain) / 315bar (with drain)
- Openings: 3/8" BSP 1/4" BSP (drain)
- Voltage: 12VDC
- Cable length: 2,000mm power supply with fuse + 6,000mm loom
- Handle thread: M10x1.5
- Material: Zinc-plated steekk
- Stackable function selector increase the number of functions.
- Up to 5 extra functions from a single spool valve.
- Easy installation with wiring harness.

|
Extra functions |
Cable length (m) |
Supply
VDC |
Pressure(bar) |
Flow rate 40lpn
3/8" BSP | ||
|
Supply |
Solenoids |
without
drain |
with
drain | |||
|
1 |
2 |
6 |
12 |
210 |
315 |
50421220K |
|
2 |
2 |
6 |
12 |
210 |
315 |
50421230K |
|
3 |
2 |
6 |
12 |
210 |
315 |
50421240K |
|
4 |
2 |
6 |
12 |
210 |
315 |
50421250K |
|
5 |
2 |
6 |
12 |
210 |
315 |
50421260K |