HYDR MEDIUM SPEED MOTOR 250CC
Hydrokit Part Number : MHR245A1AE
Discontinued product replaced by :
Motor WR 250cc shaft Ø25mm ( MHR250A1AW )
Technical information
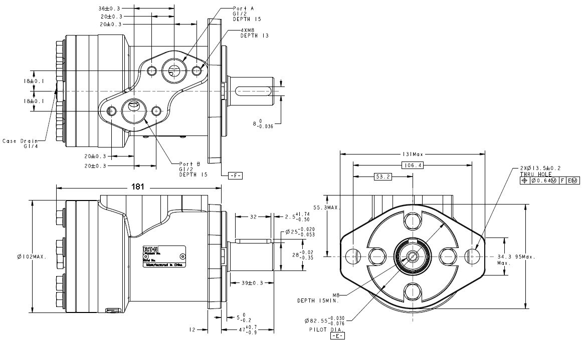
Hydraulic medium speed motor 250cc (243 cm3)
SAE A front flange. 82.55mm alignment 106.4mm centre distance.
Cylindrical shaft 25mm dia. Reinforced shaft seal. Parallel key A8x7x32.
Ports 1/2" BSP (A & B) 1/4" (T)
Painted black.
SAE A front flange. 82.55mm alignment 106.4mm centre distance.
Cylindrical shaft 25mm dia. Reinforced shaft seal. Parallel key A8x7x32.
Ports 1/2" BSP (A & B) 1/4" (T)
Painted black.
