EATON MEDIUM-SPEED MOTOR 80CC
Hydrokit Part Number : MHP080A1AE
Discontinued product replaced by :
Motor WP 78cc shaft Ø25mm ( MHP080A1AW )
Technical information
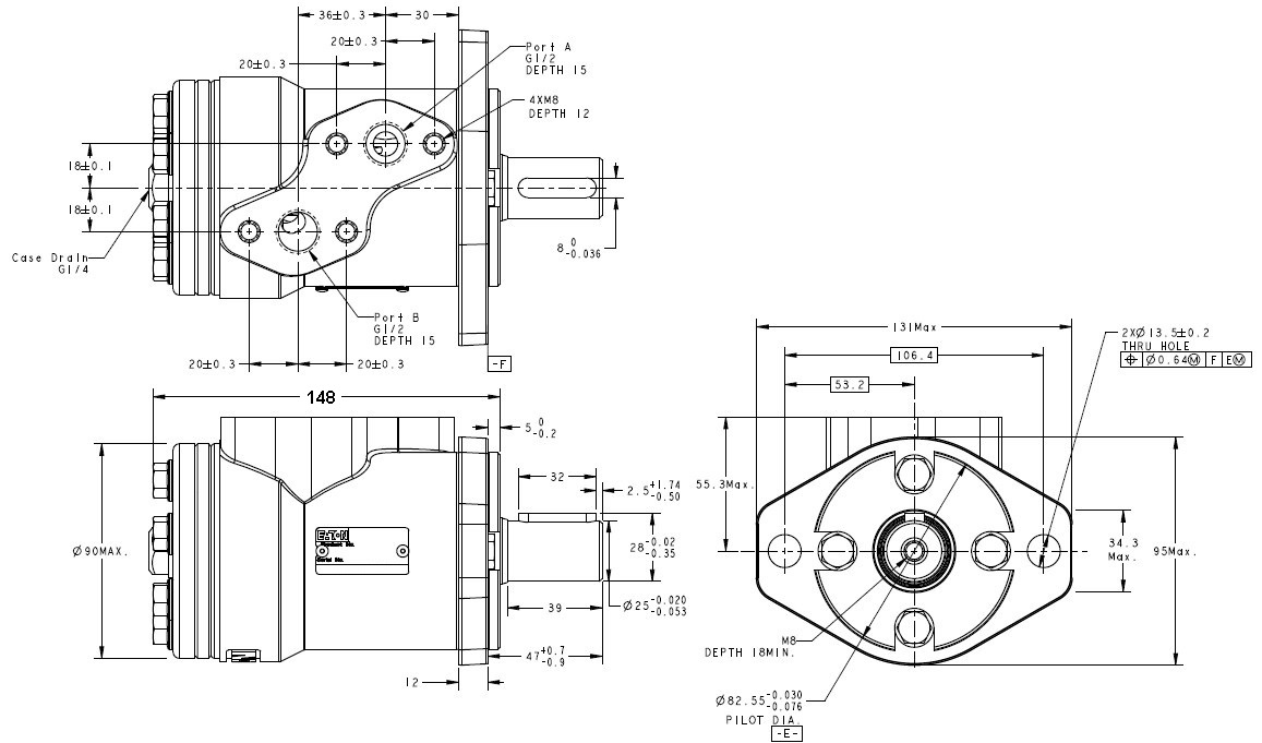
EATON MEDIUM-SPEED MOTOR 80CC (78.7cm3)
SAE front flange 82.55mm alignment 106.4mm centre distance
Cylindrical shaft Ø25mm
Ports: 1/2 BSP (A & B), 1/4 BSP (T)
Reinforced shaft seal
SAE front flange 82.55mm alignment 106.4mm centre distance
Cylindrical shaft Ø25mm
Ports: 1/2 BSP (A & B), 1/4 BSP (T)
Reinforced shaft seal
