+33 (0)2 51 34 10 10
Contact
Contact
Recherche
Nos produits
Menú
Fermer
Accueil
Agriculture
Travaux Publics / Manutention
Carrosserie Industrielle
Maritime
Industrie / Agro-alimentaire
Environnement
Réparation
Pompe hydraulique
Réservoirs
Filtration
Échangeurs
Centrales hydrauliques
Régulation de débit
Accumulateurs
Régulation de pression
Distribution
Clapets et valves
Vérins hydrauliques
Composants haute pression 700 bar
Moteurs hydrauliques
Orbitrols
Connectiques
Composants électriques
Matériel d'atelier
Mallettes Hydroclips
Flexible hydraulique & Embouts
Coupleurs / Multicoupleurs
Equipements nettoyeurs haute pression
Lubrification / Graissage
Rotators Baltrotors
Huile / Consommable
Le coin des bonnes affaires / Destockage
Fiches de définition
Industrie
Test création page menu produits
Test création rubrique produit menu produits
Réparation de pompes et moteurs
Réparation vérins
Montage sur site
Formation
Où nous trouver ?
Catalogues
Qui sommes-nous ?
+ d'Infos
Groupe Vensys
Actualités
Salons
Tous les services
Tutoriels
Vidéos
Nous rejoindre
Nous contacter
Accueil
Clapets et valves
Clapets navettes
Clapets anti-retour en ligne
Clapets parachutes
Clapets anti-retour pilotés
Valves de blocage réglables
Clapets pilotés en ligne
Clapets de blocage flasquables sur vérin
Kits clapets doubles à tuyauter
Valves d'équilibrage
Clapets de sécurité TP
Blocs anti-cavitation
Valves d'équilibrage sur moteurs
Clapets navettes
Plein écran
Image précédente
Image suivante
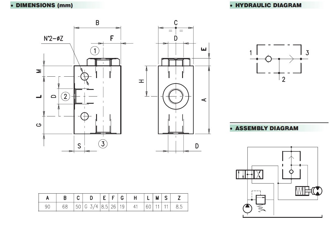
Sélecteur de circuit navette 3 voies 3/4G 400 bar 100 l/min - acier
Référence Hydrokit :
SCN034HPW
Imprimer
Partager
+33 (0)2 51 34 10 10
Contacter
Contacter
Fermer
Vous voulez une réponse immédiate ?
Contactez-nous au 02 51 34 10 10
Pour voir le tarif
Créer un compte
ou
Informations techniques
3/4G - ACIER - 400BAR - 100L/MIN
Fermer
Partager ce produit sur
Facebook
Linkedin
Mail
Annuler
Fermer
Chargement en cours...