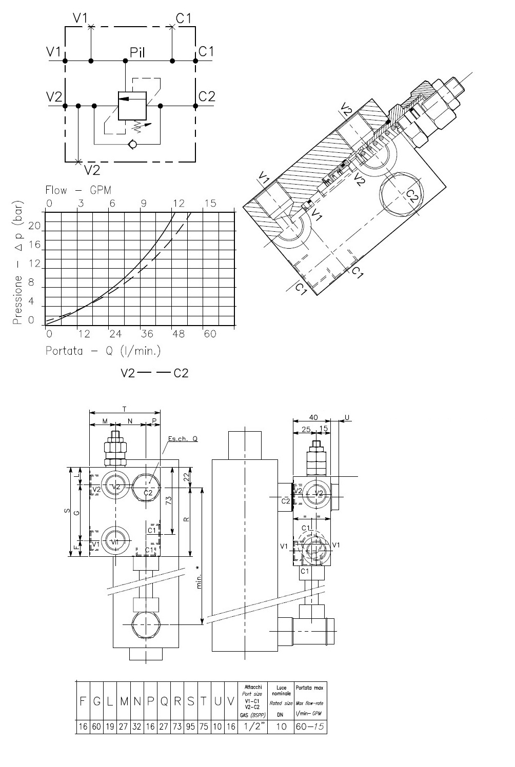
VALVE EQUILIBRAGE SIMPLE G1/2 FLASQ
Hydrokit Part Number : VES012P
Technical information

Technical data
| Type de valves d'équilibrage | Valves simples flasquables | ||
| Implantation | G1/2 | ||
| Rapport | 4.25/1 | ||
| Max working pressure | 350 | bar | |
| Matière | Acier | ||
| Option | Without option |