Valve d'équilibrage simple SAE6000 3/4 51x24 - 350L/min - R:22/1 - 350bar - drainée
Référence Hydrokit : VESP350IH1
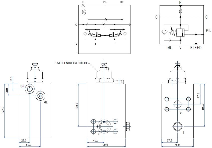
Informations techniques
Débit : 250 litres/minute.
Implantation : 3/4 SAE6000.
Rapport : 22:1.
Implantation : 3/4 SAE6000.
Rapport : 22:1.

Rapport |
Implantation |
Pression maximum |
Débit maximum |
22 : 1 |
3/4 SAE6000 - 51x24 |
350 bar |
250 l/min |
Caractéristiques techniques
Type de valves d'équilibrage | Valves pilotées basse pression | ||
Implantation | SAE6000 51x24 3/4" | ||
Rapport | 22/1 | ||
Pression maxi d'utilisation | 350 | bar | |
Matière | Acier |