REMPLACE VESL012014
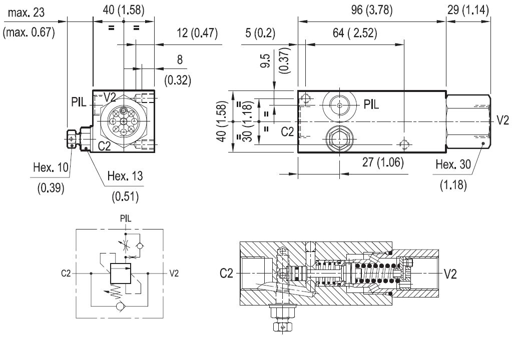
Hydrokit Part Number : VS012TDRC1
Technical information
REMPLACE VESL012014

Technical data
| Type de valves d'équilibrage | Valves simples | ||
| Implantation | G1/2 | ||
| Rapport | 4.2/1 | ||
| Max working pressure | 350 | bar | |
| Matière | Acier | ||
| Option | Rampe de contrôle (restricteur sur pilotage) |