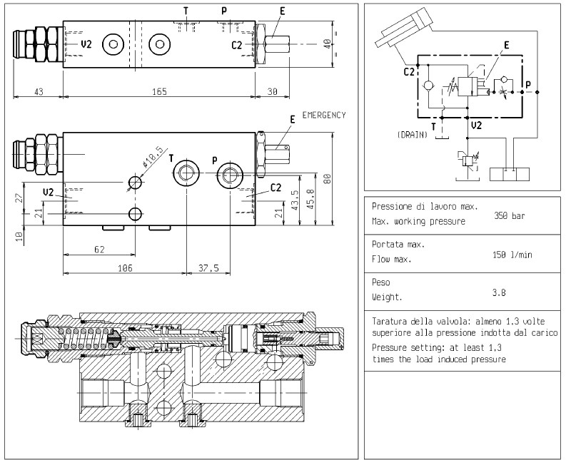
CHECK VALVE DRAIN EXT 1/2 GAZ
Hydrokit Part Number : VS012TMDC1
Technical information
CHECK VALVE DRAIN EXT 1/2 GAZ 13:1 SET 350 BAR

Technical data
| Type de valves d'équilibrage | Valves simples | ||
| Implantation | G1/2 | ||
| Rapport | 13/1 | ||
| Max working pressure | 350 | bar | |
| Matière | Acier | ||
| Option | Compensé en pression, Drainage externe, Rampe de contrôle (restricteur sur pilotage) |