OVERCENTRE VALVE
Hydrokit Part Number : VD034TENX1
Technical information
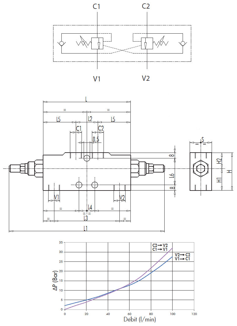
Double acting overcentre valve.
Ports 3/4"
Pilot ratio 5.5:1
Max pressure : 350 bar
Material : Steel
Max entry flow : 95 lpm.
Ports 3/4"
Pilot ratio 5.5:1
Max pressure : 350 bar
Material : Steel
Max entry flow : 95 lpm.

Technical data
| Type de valves d'équilibrage | Valves doubles | ||
| Implantation | G3/4 | ||
| Rapport | 5.5/1 | ||
| Max working pressure | 350 | bar | |
| Matière | Acier | ||
| Option | Without option |