FLANGE-MOUNTED D/A OVERCENTRE VALVE
Hydrokit Part Number : VD012VDNXK
Technical information
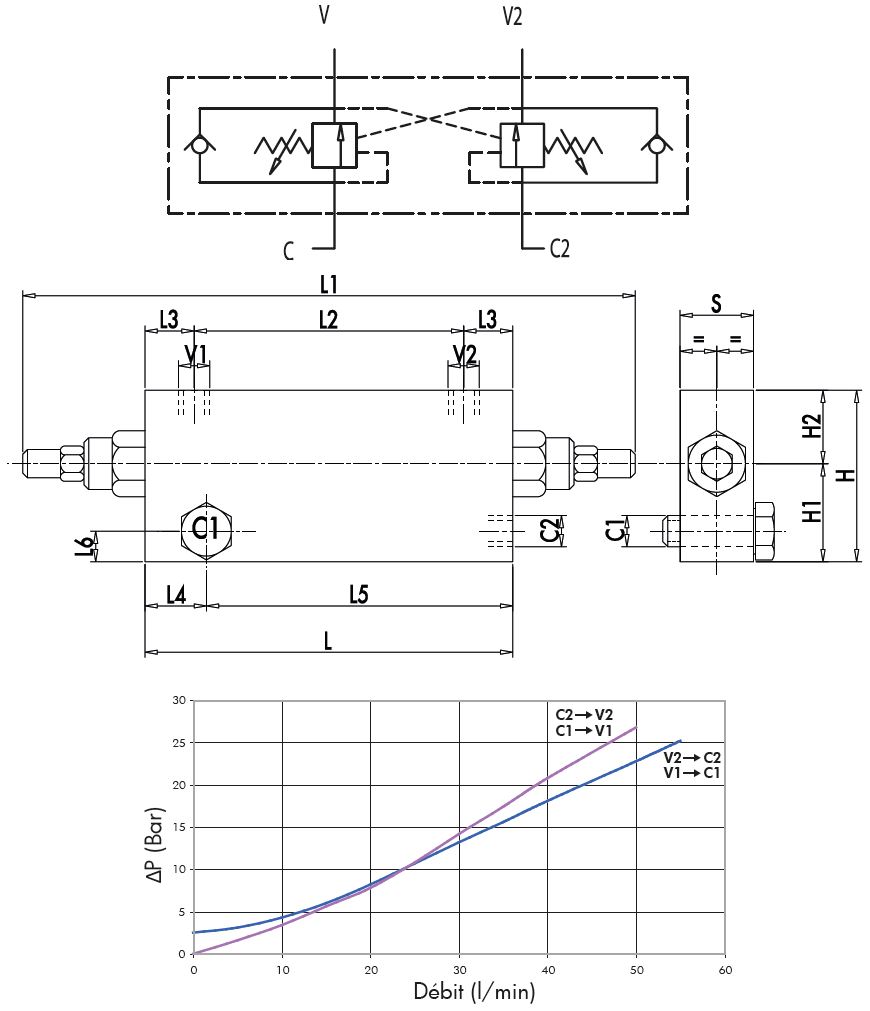
FLANGE-MOUTED DOUBLE-ACTING OVERCENTRE VALVE
- Max. flow rate: 60lpm
- Max. pressure: 350bar
- Mountings: 1/2" BSP
- Pilot ratio: 1:4.5
- Including: Rigid connection
- Max. flow rate: 60lpm
- Max. pressure: 350bar
- Mountings: 1/2" BSP
- Pilot ratio: 1:4.5
- Including: Rigid connection

Technical data
| Type de valves d'équilibrage | Valves doules flasquables | ||
| Implantation | G1/2 | ||
| Rapport | 4.5/1 | ||
| Max working pressure | 350 | bar | |
| Matière | Acier | ||
| Option | Without option |