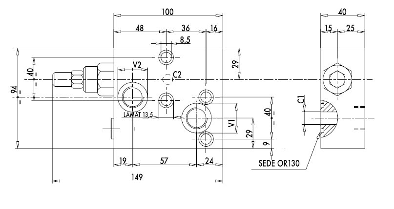
VALVE EQUILIBRAGE SIMPLE G1/2 MOT
Hydrokit Part Number : VER1
Technical information

Technical data
| Type de valves d'équilibrage | Valves pour moteur | ||
| Implantation | G1/2 | ||
| Rapport | 4.5/1 | ||
| Max working pressure | 350 | bar | |
| Matière | Acier | ||
| Option | Without option | ||
| Motor type | OMP, OMR |