VALVE EQUILIBRAGE DOUBLE G3/4 MOT
Hydrokit Part Number : VED034OMTFRF
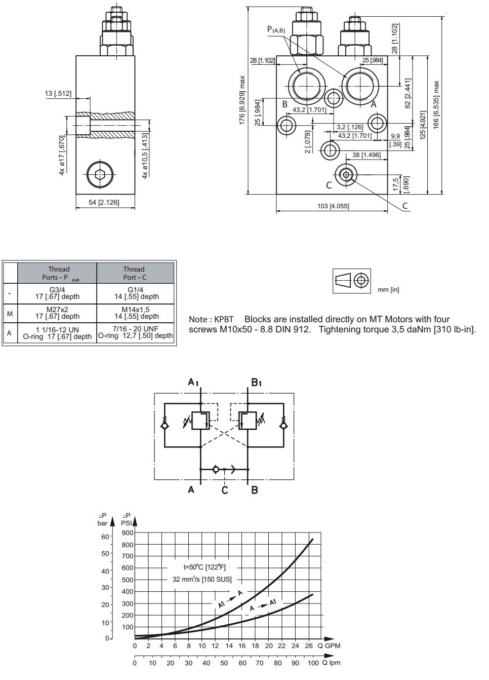
Technical information

Technical data
| Type de valves d'équilibrage | Valves pour moteur | ||
| Implantation | G3/4 | ||
| Rapport | 4.25/1 | ||
| Max working pressure | 210 | bar | |
| Matière | Aluminium | ||
| Option | Clapet navette / pilotage frein | ||
| Motor type | OMT |