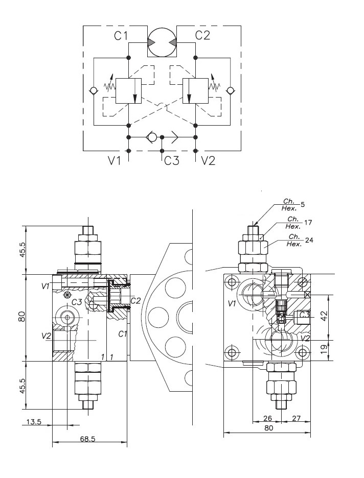
VALVE EQUILIBRAGE DOUBLE G1/2 MOT
Hydrokit Part Number : VES2F
Technical information

Technical data
| Type de valves d'équilibrage | Valves pour moteur | ||
| Implantation | G1/2 | ||
| Rapport | 4.25/1 | ||
| Max working pressure | 350 | bar | |
| Matière | Acier | ||
| Option | Clapet navette / pilotage frein | ||
| Motor type | OMS |