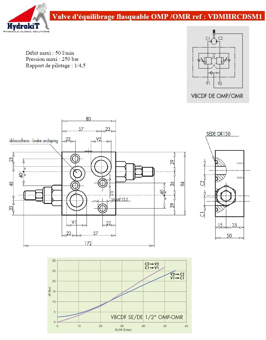
Valve d'équilibrage controle de charge moteur OMP/OMR G1/2 - 50L/min 350bar R:4.5/1 + pil frein
Référence Hydrokit : VDMHRCDSM1
Informations techniques
VALVE D'EQUILIBRAGE DOUBLE FLAS. OMP/OMR + PILOTAGE FREIN
acier
acier

Caractéristiques techniques
| Type de valves d'équilibrage | Valves pour moteur | ||
| Implantation | G1/2 | ||
| Rapport | 4.5/1 | ||
| Pression maxi d'utilisation | 350 | bar | |
| Matière | Acier | ||
| Option | Clapet navette / pilotage frein | ||
| Type Moteur | OMP, OMR |