Valve d'équilibrage controle de charge moteur OMP/OMR G1/2 - 60L/min 350bar R:4.25/1 + pil frein
Référence Hydrokit : VER2F
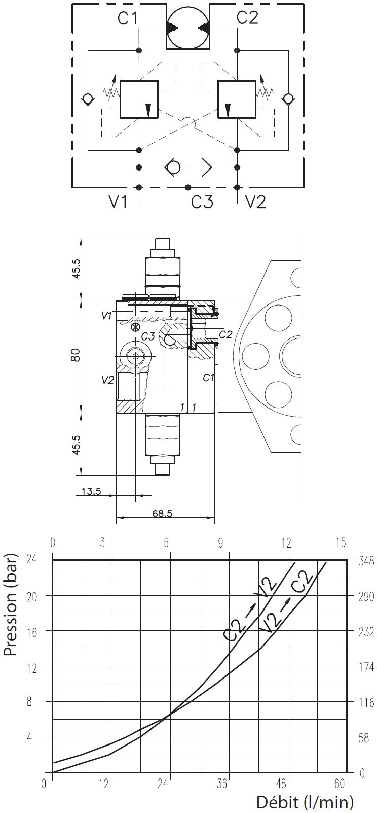
Informations techniques
Cette valve se flasque sur moteur type OMP,OMR, OMPA et OMRA.(non tuyautable)
- Orifices G1/2.
- Pilotage frein G1/4.
- Débit maxi 60 l/min.
- Pression maxi : 350 bar.
- Rapport : 4.25:1.
- Orifices G1/2.
- Pilotage frein G1/4.
- Débit maxi 60 l/min.
- Pression maxi : 350 bar.
- Rapport : 4.25:1.

|
Débit |
Pression de travail maximum |
Pression de réglage maximum |
Rapport de pilotage |
Température de l'huile |
Température ambiante |
Filtration recommandée |
Couple de serrage |
Implantations V2, C2, V1 et C1 |
Implantation C3 |
|
1-60 l/min |
350 bar |
30-220 bar |
4,25:1 |
-30 à +80°C |
-30 à +50°C |
30 µm |
70/80 Nm |
1/2G |
1/4G |
Caractéristiques techniques
| Type de valves d'équilibrage | Valves pour moteur | ||
| Implantation | G1/2 | ||
| Rapport | 4.25/1 | ||
| Pression maxi d'utilisation | 350 | bar | |
| Matière | Acier | ||
| Option | Clapet navette / pilotage frein | ||
| Type Moteur | OMP, OMR |