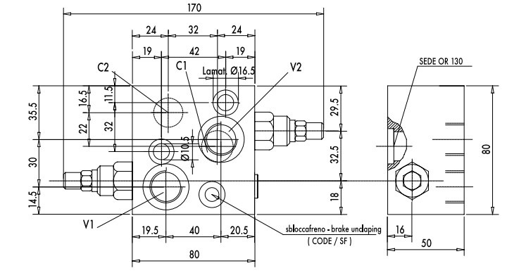
OMS MOTOR OVERCENTRE VALVE
Hydrokit Part Number : VDMHSCDSM1
Technical information
OMS MOTOR OVERCENTRE VALVE
- Configuration: Double-acting
- Mounting: Flange-moutable
- Pilot ratio: 1/8
- Max.flow rate: 50lpm
- Max. Pressure: Up to 320bar
- Ports: 1/2" BSP and 1/4" BSP (brake unclaping)
- Configuration: Double-acting
- Mounting: Flange-moutable
- Pilot ratio: 1/8
- Max.flow rate: 50lpm
- Max. Pressure: Up to 320bar
- Ports: 1/2" BSP and 1/4" BSP (brake unclaping)

Technical data
| Type de valves d'équilibrage | Valves pour moteur | ||
| Implantation | G1/2 | ||
| Rapport | 4.5/1 | ||
| Max working pressure | 350 | bar | |
| Matière | Acier | ||
| Option | Clapet navette / pilotage frein | ||
| Motor type | OMS |