ROTATOR 10 TONS PLATE 173
Hydrokit Part Number : ROT100CP2F
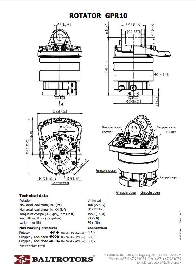
Technical information
ROTATOR 10 TONS PLATE 173

Technical data
| Capacité Statique | 10 | Tonne | |
| Capacité Dynamique | 5 | Tonne | |
| Forme fixation supérieure | Rotule Fourche | ||
| Forme fixation inférieure | Platine | ||
| Type fixation supérieure | Rotule fourche Ø35 Ep80.5mm | ||
| Type fixation inférieure | Platine Ø173 x 6 trous | ||
| Couple Maxi | 1950 | N.m | |
| Débit maxi | 22 | l/min | |
| Pression maxi rotation | 250 | bar | |
| Pression maxi ouverture d'outil | 300 | bar | |
| Pression maxi fermeture d'outil | 300 | bar | |
| Implantation | G1/2 | ||
| Poids | 59 | kg |