(+34) 93 809 83 84
Contact
Contacto
Buscar
Productos
Menú
Cerca
Inicio
Agrícolas
Obra públicas
Camiones
Medio ambiente
Reparación
Bombas / Multiplicadores
Depósitos / Tanque
Filtración
Intercambiadores
Centrales hidráulicas
Reguladores de caudal
Acumuladores
Regulación de presión
Distribución
Válvulas
Cilindros hidráulicos
Componentes de alta presión 700 bar
Motores hidráulicos
Orbitroles
Racores
Componentes eléctricos
Material para taller
Maletines Hydroclips
Mangueras / Latiguillos / Terminales
Enchufes / Multienchufes
Equipamientos de limpiadoras de alta presión
Engrase
Rotatores Baltrotors
Aceite / Consumibles
Ofertas / Fin de stock
Hojas para definición del producto
Reparaciones bombas y motores
Montaje in Situ
Donde encontrarnos
Marcas
Catálogos
Ferias
Actualidad
Sobre Hydrokit
Nuestros oficios
Nuestra empresa
Grupo Vensys
Servicios
Únete a nosotros
Tutorial
Vidéos
Contacto
Inicio
Depósitos / Tanque
Depósitos estándares
12 litros
25 litros
30 litros
40 litros
50 litros
65/80 litros
100 litros
150 litros
175 litros
250 litros
400 litros
Depósitos para centrales GH1
Accesorios
Fabricación de depósitos bajo solicitud
Compresores hidráulicos para basculantes
Depósitos para centrales GH14
Accesorios
Tapones de llenado
Tapones de drenaje magnéticos
Tapones respiraderos
Cartuchos de filtro de aire
Indicador de nivel
Respiradero con deshidatrante
Cartuchos de recambio
Tapones respiraderos
Plástico
Metálico
Metálico presurizado 0,35 Bar
Acero cromado
Plástico
Pantalla completa
Imagen anterior
Imagen siguiente
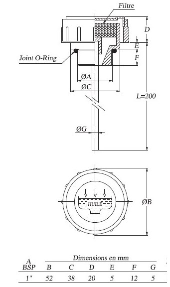
TAPÓN DE LLENADO CON NIVEL 1'
Referencia Hydrokit :
BR100GH
Imprimir
Compartir
(+34) 93 809 83 84
Contacto
Contacto
Cerca
¿Quieres una respuesta inmediata?
Contáctanos en (+34) 93 809 83 84
Para ver el precio
Registrarse
o
Información técnica
Cerca
Compartir producto en
Facebook
Linkedin
Mail
Cancelar
Cerca
Cargando...