MOTEUR HPI POUR DEBROUSSAILLEUSE NICOLAS - A5089441
Référence Hydrokit : M156010H1
Informations techniques
NICOLAS
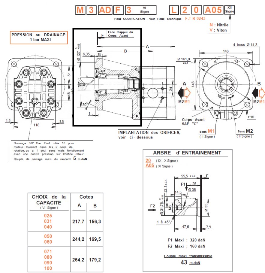
Groupe 3 - 31cm3/tr CONTRE PALIER Long RENFORCE SAE C
ARBRE Cylindrique Ø31.75MM
SORTIES ARR 3/4G 3/4G
HPI A5089441 M3ADF3031XA20A05N
Groupe 3 - 31cm3/tr CONTRE PALIER Long RENFORCE SAE C
ARBRE Cylindrique Ø31.75MM
SORTIES ARR 3/4G 3/4G
HPI A5089441 M3ADF3031XA20A05N
