Información técnica

Características técnicas
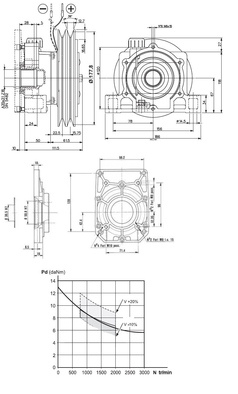
| Type d'embrayage | Electromagnétique 24VCC | ||
| Groupe | Groupe 2, Groupe 3 | ||
| Sentido de rotación | Bidirectionnel | ||
| Option | Avec poulie Ø178 mm |

| Type d'embrayage | Electromagnétique 24VCC | ||
| Groupe | Groupe 2, Groupe 3 | ||
| Sentido de rotación | Bidirectionnel | ||
| Option | Avec poulie Ø178 mm |