LIMITEUR PRES DOUBLE 5A210B
Hydrokit Part Number : LP120DL01
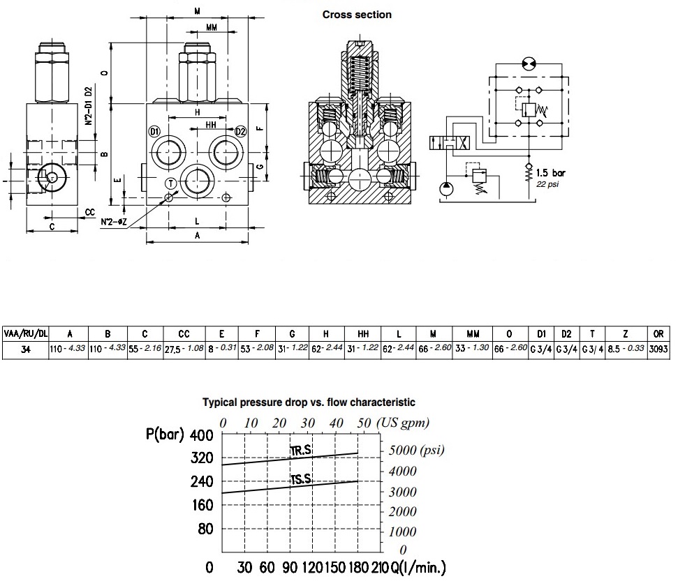
Technical information

Technical data
| Implantation | G3/4 | ||
| Débit maxi | 120 | l/min | |
| Matière | Aluminium | ||
| Max working pressure | 210 | bar | |
| Pression mini d'utilisation | 5 | bar |

| Implantation | G3/4 | ||
| Débit maxi | 120 | l/min | |
| Matière | Aluminium | ||
| Max working pressure | 210 | bar | |
| Pression mini d'utilisation | 5 | bar |