Orbitrol Danfoss OSPB100ON - CO non réactif - G1/2 - 150-0041
Référence Hydrokit : OSPB100ON1
Informations techniques
Référence Danfoss : 150-0041
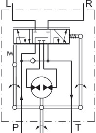
Distributeur de direction type OSPB
Système de direction sans valves intégrées
Cylindrée (cm3/tr) : 100
Type : ouvert* non réactif **
Limiteur de pression : non
Valve anti-choc : non
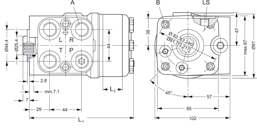
Orifices : 1/2 bsp
L1 : 132 mm
L2 : 13 mm
* Centre ouvert : Les systèmes de direction à centre ouvert disposent d'une connexion ouverte entre pompe et le réservoir en position neutre. Utilisation de pompes à cylindrée fixe.
** Dans les systèmes de direction de type non réactif, une force externe n'entraine aucun mouvement du volant, en position neutre.
Distributeur de direction type OSPB
Système de direction sans valves intégrées
Cylindrée (cm3/tr) : 100
Type : ouvert* non réactif **
Limiteur de pression : non
Valve anti-choc : non
Orifices : 1/2 bsp
L1 : 132 mm
L2 : 13 mm
* Centre ouvert : Les systèmes de direction à centre ouvert disposent d'une connexion ouverte entre pompe et le réservoir en position neutre. Utilisation de pompes à cylindrée fixe.
** Dans les systèmes de direction de type non réactif, une force externe n'entraine aucun mouvement du volant, en position neutre.


Caractéristiques techniques
| Type d'orbitrol | OSPB | ||
| Type circuit orbitrol | Centre ouvert non réactif | ||
| Cylindrée orbitrol | 100 | ||
| Implantation orifices orbitrol | G1/2" | ||
| Implantation orifice LS | Sans | ||
| Réglage LP orbitrol | Sans | ||
| Réglage Anti-Choc orbitrol | Sans |