Hydraulic power unit 2.6 cc with pu
Hydrokit Part Number : C29654001
Technical information
"Reversible power unit (Possibility
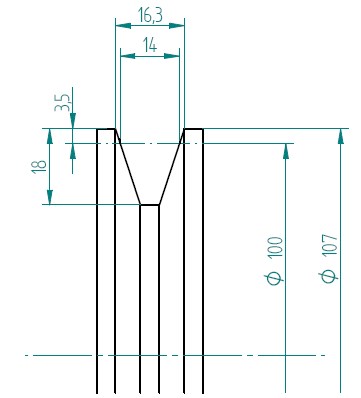
to go in both directions) 2.6 cc Pulley
drive Ø100 mm Reservoir 1.5 litres
in horizontal assembly. Outputs 1/4""
Suction filter Pressure limiter adjustable
from 20 to 180 bar Maximum pressure:
210 bar."
to go in both directions) 2.6 cc Pulley
drive Ø100 mm Reservoir 1.5 litres
in horizontal assembly. Outputs 1/4""
Suction filter Pressure limiter adjustable
from 20 to 180 bar Maximum pressure:
210 bar."

