MOTEUR PISTON CYL FIXE 5CC ROTB
Hydrokit Part Number : MPC005BD10000EB
Technical information

Technical data
| Type of product | Pistons motor - fixe displacement | ||
| Type of hydraulic circuit | CO & CF - Circuit ouvert et fermé | ||
| Displacement | 5 | cc/rev | |
| Rotation | Bidirectional | ||
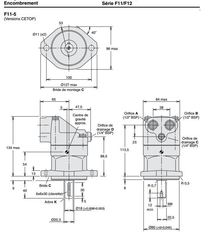
| Flange | CETOP 2 trous Centrage 80mm | ||
| Shaft type | Cylindrical | ||
| Shaft size | Ø18mm claveté 6mm | ||
| Type of regulation | None actuation | ||
| Option | Without option |