REXROTH AXIAL KOLBEN MOTOR 28CC
Artikel-Nr Rau Serta : MPC028BEN0000RA
Technische Informationen
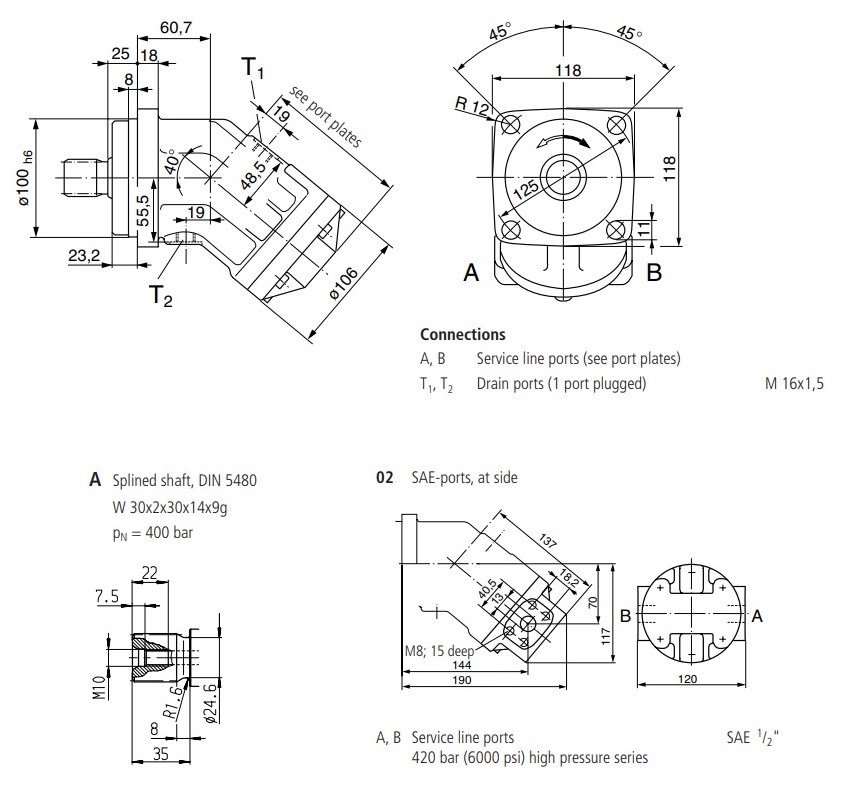
KOLBENMOTOR 28CC
WELLE 14 ZÄHNE DIN 5480
4 LOCH FRONT FLANSCH
SAE ANSCHLÜSSE AUF DER SEITE
BOSCH-REXROTH
A2FM28/61W/VAB020
WELLE 14 ZÄHNE DIN 5480
4 LOCH FRONT FLANSCH
SAE ANSCHLÜSSE AUF DER SEITE
BOSCH-REXROTH
A2FM28/61W/VAB020

technische Daten
| Art der Komponenten | Moteur à pistons cylindrée fixe | ||
| Art des Hydraulikkreislaufs | CO & CF - Offener und geschlossener Kreislauf | ||
| Hubraum | 28 | cm³/tr | |
| Drehrichtung | Bidirektional | ||
| Frontflansch | 4 Löcher Zentrierung 100mm | ||
| Art der Antriebswelle | Geriffelt | ||
| Maße der Antriebswelle | 14 dents W30 DIN5480 | ||
| Art der Regulierung | Ohne Einstellung | ||
| Option | Sans option |