MOTEUR PISTON CYL FIXE 20CC ROTB
Hydrokit Part Number : MPC020B5V0000VA
Technical information

Technical data
| Type of product | Pistons motor - fixe displacement | ||
| Type of hydraulic circuit | CO & CF - Circuit ouvert et fermé | ||
| Displacement | 20 | cc/rev | |
| Rotation | Bidirectional | ||
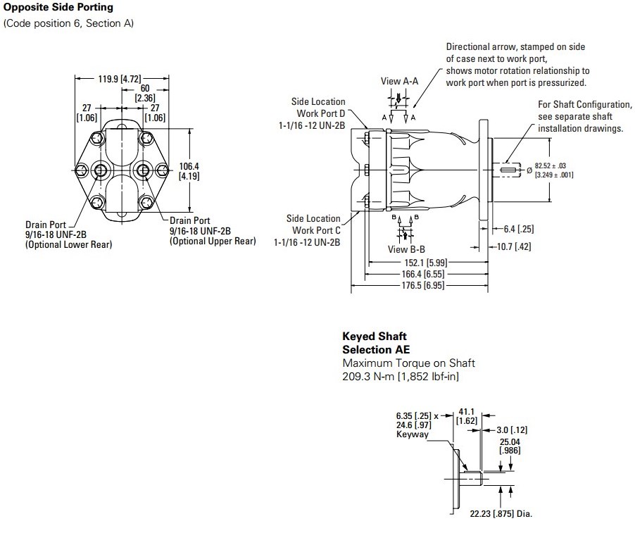
| Flange | SAE-A 2 trous Centrage Ø82.5mm | ||
| Shaft type | Cylindrical | ||
| Shaft size | SAEB Ø22.2mm Lg 41.2mm | ||
| Type of regulation | None actuation | ||
| Option | Without option |