HYDRAULIC PISTONS MOTOR FOR HE
Hydrokit Part Number : MP028BZZR
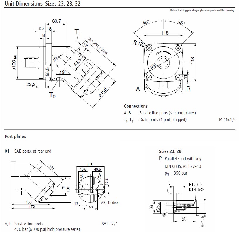
Technical information
HYDRAULIC PISTONS MOTOR FOR HEDGE CUTTER ROUSSEAU

Technical data
| Type of product | Pistons motor - fixe displacement | ||
| Type of hydraulic circuit | CO & CF - Circuit ouvert et fermé | ||
| Displacement | 28 | cc/rev | |
| Rotation | Bidirectional | ||
| Flange | 4 trous Centrage 100mm | ||
| Shaft type | Cylindrical | ||
| Shaft size | Ø25mm claveté 8mm | ||
| Type of regulation | None actuation | ||
| Option | Without option |