+33 (0) 251 344 528
Contact
Contact
Search
Our products
Menu
Close
Home
Agriculturaltest
Construction
Lorry and trailer
Environment
Pumps / multiplier gearboxes
Reservoirs
Filters
Heat exchangers
Hydraulic power units
Flow regulators
Accumulators
Pressure regulators
Spool valves
Safety valves
Hydraulic cylinders
High pressure components 700 bar
Hydraulic motors
Orbitrols
Adaptors
Electrical components
Workshop equipments
Hydroclips cases
Hydraulic hoses & inserts
Couplers / Multi-Couplers
High pressure cleaning equipment
Greasing components
Rotators
Special offers
Piston pump and motor repairs
On-site fitting
Our Locations
Catalogues
Shows
About Hydrokit
Our markets
Our company
Vensys Group
Services
Videos
Contact
Home
Hydraulic motors
Medium speed
Gear motors
Piston motor - hight speed
Radial Piston motor - low speed (wheel)
Medium speed
Type OML
Type OMM
Type OMP
Type OMR
Type Orbital X
Type OMH
Type OMS
Type OMT
Type OMV
Type TMK - TMT - TMV
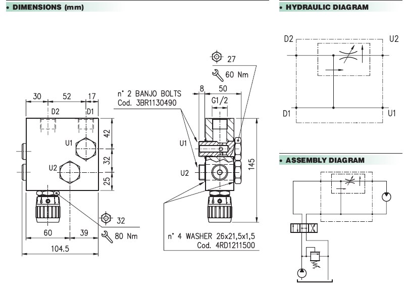
Flange valve
Sleeves and accessories
Seal kits
Flange valve
Flange-mountable valves
Flange-mountable valves
Flange valve
Flange valve
Full screen
Previous image
Next image
DIVISEUR DE DEBIT FLASQUABLE OMS
Hydrokit Part Number :
RDR2MHSW
Print
Share
+33 (0) 251 344 528
Contact
Contact
Close
Looking for an immediate reply?
Contact us on +33 (0) 251 344 528
To check price
Create an account
or
Technical information
Close
Share this product on
Facebook
Linkedin
Mail
Cancel
Close
Loading...