Technical information
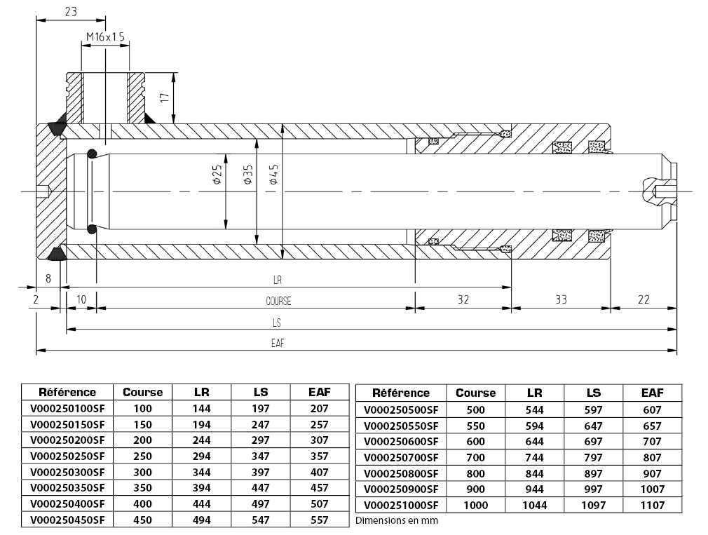
CYLINDER SA Ø25 STROKE 800 CCD 907 NO ATTACHMENT IMP.M16X1,5

Technical data
| Course | 800 | mm | |
| Fixation | Sans | ||
| Type de vérin | Simple effet | ||
| Rod diameter | 25 | mm | |
| Entre axe fermé | 907 | mm | |
| Implantation | M16X150 |