+33 (0) 251 344 528
Contact
Contact
Search
Our products
Menu
Close
Home
Agriculturaltest
Construction
Lorry and trailer
Environment
Pumps / multiplier gearboxes
Reservoirs
Filters
Heat exchangers
Hydraulic power units
Flow regulators
Accumulators
Pressure regulators
Spool valves
Safety valves
Hydraulic cylinders
High pressure components 700 bar
Hydraulic motors
Orbitrols
Adaptors
Electrical components
Workshop equipments
Hydroclips cases
Hydraulic hoses & inserts
Couplers / Multi-Couplers
High pressure cleaning equipment
Greasing components
Rotators
Special offers
Piston pump and motor repairs
On-site fitting
Our Locations
Catalogues
Shows
About Hydrokit
Our markets
Our company
Vensys Group
Services
Videos
Contact
Home
Flow regulators
Flow regulators, flange-mountable on OMP/OMR motors
Flow regulation blocks
By-pass flow divider
Double by-pass flow dividers
Control LS - Dynaset
Negative LS pump regulation
Volumetric flow dividers
Low flow line control block
Flow regulators, flange-mountable on OMP/OMR motors
Full screen
Previous image
Next image
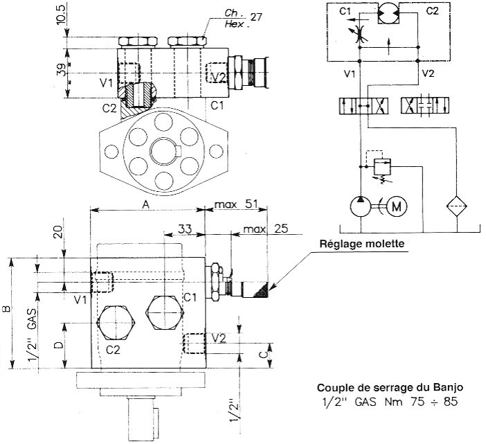
FLOW REGULATOR VALVE FOR MOTOR
Hydrokit Part Number :
RDR1
Print
Share
+33 (0) 251 344 528
Contact
Contact
Close
Looking for an immediate reply?
Contact us on +33 (0) 251 344 528
To check price
Create an account
or
Technical information
FLOW REGULATOR VALVE FOR MOTOR DIRECT FACE MOUNT OMP OMR OMR
Close
Share this product on
Facebook
Linkedin
Mail
Cancel
Close
Loading...