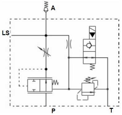
LS REGULATION BLOCK PRESSURE + FLOW
Hydrokit Part Number : RDBA4A41C0
Technical information
Maximum inlet pressure: 350bar
Voltage: 12 volts - 20W
Regulated flow: 1.5 to 140 litres/minute.
Lined pressure relief valve regulated at 210bar (range 50-210 bar)
Minimum load on the regulated line: 8 bar
Installation Pressure and regulated: SAE 1'1/16
Drain and LS installation: SAE 9/16-18
Voltage: 12 volts - 20W
Regulated flow: 1.5 to 140 litres/minute.
Lined pressure relief valve regulated at 210bar (range 50-210 bar)
Minimum load on the regulated line: 8 bar
Installation Pressure and regulated: SAE 1'1/16
Drain and LS installation: SAE 9/16-18