+33 (0) 251 344 528
Contact
Contact
Search
Our products
Menu
Close
Home
Agriculturaltest
Construction
Lorry and trailer
Environment
Pumps / multiplier gearboxes
Reservoirs
Filters
Heat exchangers
Hydraulic power units
Flow regulators
Accumulators
Pressure regulators
Spool valves
Safety valves
Hydraulic cylinders
High pressure components 700 bar
Hydraulic motors
Orbitrols
Adaptors
Electrical components
Workshop equipments
Hydroclips cases
Hydraulic hoses & inserts
Couplers / Multi-Couplers
High pressure cleaning equipment
Greasing components
Rotators
Special offers
Piston pump and motor repairs
On-site fitting
Our Locations
Catalogues
Shows
About Hydrokit
Our markets
Our company
Vensys Group
Services
Videos
Contact
Home
Electrical components
On / Off Coils
Linear actuators
Pulse sensing hour meters
Control boxes
Handles
Starter panel box for electric motor
Joysticks
Connectors and switches
Radio remote control
Inclinometers
Weighing Display
Rotation speed indicators
Flow and pressure indicators
Front lift position indicator kits
Hydroalarm
Electronic modules
Hydraulic driven generators
Fixing accessories
Electric pendant boxes
Power switches Ø 22.5mm
Buzzers
Electric cables
Sensors
Control boxes
Electric sheaths
Electric control pedals
Cable glands
Mini indicator light
Winches
Rear view cameras
Electric maintenance
Sensors
Inductive sensors
Complete position sensors
Pressure transmitters
Pressure switches
Complete position sensors
Full screen
Previous image
Next image
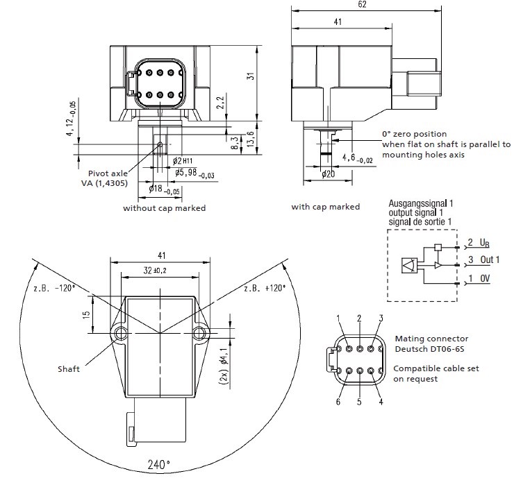
CAPTEUR ANGULAIRE +/-90 DEGRE 1S
Hydrokit Part Number :
E16AU18002
Print
Share
+33 (0) 251 344 528
Contact
Contacto
Close
Looking for an immediate reply?
Contact us on +33 (0) 251 344 528
To check price
Create an account
or
Technical information
Close
Share this product on
Facebook
Linkedin
Mail
Cancel
Close
Loading...