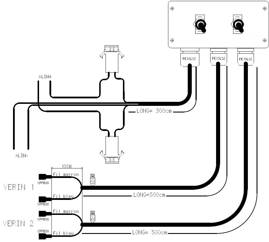
CONTROL BOX FOR 2ELEC CYLINDER
Hydrokit Part Number : BVERINELE5
Technical information
CONTROL BOX FOR 2 ELEC. CYLINDERS 12V

Technical data
| Voltage | 24 VCC | Volt | |
| Nombre de vérin(s) à commander | 2 | ||
| Type de boîtier électrique | Boîtier 2 inter/2 vérins | ||
| Option | avec faisceau électrique |