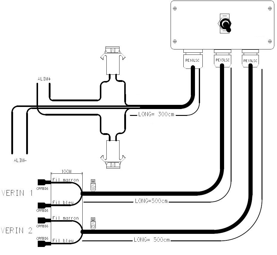
Boîtier de commande 1 interrupteur pour 2 vérins électriques 12 volts
Référence Hydrokit : BVERINELE3
Informations techniques
Commande de 2 vérins électriques avec 1 interrupteur 3 positions MOM/OFF/MOM
Sorties relayées - 12VDC
Cable d'alimentation 3 métres avec double fusibles 30A
Cables de commande vérin 5 métres
Sorties relayées - 12VDC
Cable d'alimentation 3 métres avec double fusibles 30A
Cables de commande vérin 5 métres

Caractéristiques techniques
| Tension | 12 VCC | Volt | |
| Nombre de vérin(s) à commander | 2 | ||
| Type de boîtier électrique | Boîtier 1 inter/2 vérins | ||
| Option | avec faisceau électrique |