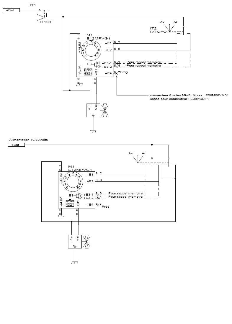
POTENTIOMETER MODULE FOR PVG 10/30V
Hydrokit Part Number : E12MPVG1
Technical information
Supply of a proportional PVG PVB coil via a potentiometer
> adjustment of a spool position / maximum flow rate
> adjustment of a spool position / maximum flow rate
